
|
POCZĄTEK |
HISTORIA |
MUZEUM |
SCHEMATY |
SERWIS |
|
LITERATURA |
CIEKAWE ADRESY |
O MNIE |
W tym rozdziale, zupełnie nowym, bo założonym 6 maja 2007r. chciałbym opisać kilka swoich własnych konstrukcji. Nie mam się specjalnie czym chwalić, bo niewiele z tych prac przetrwało próbę czasu.
Modyfikacja komputera 130XE
Montaż FDD krok po kroku
Interfejs IDE w 1040STE
Budowa drukarki 3D
1. MODYFIKACJA KOMPUTERA 130XE
Pewnego pięknego dnia dostałem od mego nieżyjącego już Kolegi Mariusza Geislera interfejs stacji dyskietek Karin Maxi. Miałem też w swoich rupieciach napęd FDD od laptopa, więc postanowiłem wmontować całość do wnętrza Atarynki. Nadawały się do tego wyłącznie modele XE, bo w XL nie było miejsca na napęd.
Po wielu przymiarkach wybrałem 130XE, rozszerzyłem mu pamięć do 1088K na simmie, a taka pamięć była potrzebna, aby ramdysk mógł pomieścić całą zawartość dyskietki 3,5", czyli 720K.
Wypiłowałem więc odpowiedni otwór nad portami dżojstika i skróciłem wewnątrz górnej obudowy "stalaktyt" do mocowania obydwu połówek. Ubyła więc jedna śrubka i obudowa się "rozdziawiała", ale i na to znalazł się sposób. Oto zdjęcie przedstawiające wynik prac (niestety, tylko kilka zdjęć mi zostało).

Poniżej prawej krawędzi napędu widoczny jest wkręt, który zastąpił brakujący. Z tyłu widoczne są zatrzaski od złącza Centronics, które to złącze zastosowałem do podłączenia zewnętrznego napędu 720K 5,25". Interfejs Karin Maxi umocowałem wewnątrz nad gniazdem kartridża. Simm 1M leżał na podstawowym banku pamięci,pozostała logika umocowana była na istniejących układach i połączona kynarem. Oryginalny zasilacz już nie wystarczał do zasilania całości, więc zastosowałem impulsowy 5V/5A.
Dalsza modyfikacja objęła domontowanie dodatkowych systemów operacyjnych, w sumie było ich 8: 400/800, XL, XE, XEPL, HIGH CHIP, QMEG, BIBO MONITOR i OMNI MONITOR. Te dwa ostatnie nie były praktycznie wykorzystywane, ale wypełniały wolne miejsce w epromie. Co ciekawe, wybór odpowiedniego systemu operacyjnego odbywał się przy wyłączonym komputerze przez naciskanie przycisku po prawej stronie napisu ATARI, a nazwa aktualnego wyświetlana była na ośmiomiejscowym alfanumerycznym wyświetlaczu LED. Wymontowałem go z jakiejś starej gierki nabytej w sklepie na Białostockiej (gdzie te czasy, gdzie...).


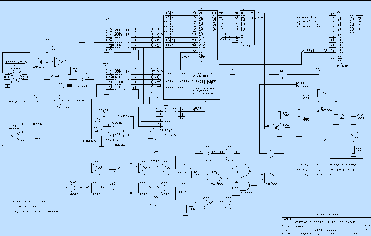
Pochwaliłem się tym na jakimś forum i pewien gość z Francji koniecznie chciał to mieć. Sprzedałem mu to w końcu, bo chciałem zrobić nowszą wersję. Zanim się do tego zabrałem już kolega z Francji "zapotrzebował" jeszcze jeden taki zestaw. Zostałem więc zmuszony niejako do dalszych prac. Poszedłem nieco dalej i, z braku kolejnego wyświetlacza, wymyśliłem generator obrazu, który wyświetlał aktualny system na ekranie monitora, oczywiście gdy komputer był wyłączony. Wtedy też można było dokonać wyboru systemu za pomocą naciskania klawisza RESET. Miałem sporo kłopotu z uzyskaniem stabilnego obrazu, aż w końcu zwyczajnie zerżnąłem fragment układu z TRS80. Obraz, a właściwie 4 bitmapy obrazów o różniącej się treści i rozdzielczości 256X256 zawartych było w epromie 27C256, czyli na każdy obraz przypadało 8K. Tak więc okroiłem ilość systemów do czterech, choć układ mógł być w prosty sposób rozbudowany do ośmiu systemów poprzez zastosowanie epromu 27C512 dla bitmap i 27C010 dla systemów. Kolejny bit licznika U9 (QC) powinien być podłączony wtedy do A15 epromu bitmap i A16 epromu systemów. Obrazy tworzyłem na pececie jakimś programem graficznym. Były to czarno-białe obrazy z tekstem wypisanym czcionką taką jak logo Atari. Poniżej przedstawiam schemat układu:

Szesnastobitowy licznik na układach LS593 (U1 i U2) taktowany jest częstotliwością 4MHz. Trzy najmłodsze bity licznika (BIT0-BIT2) określają numer bitu z bajtu w epromie U3, którego wartość (tego bitu) pojawi się na wyjściu Y układu U4. Kolejne bity licznika (BYT0-BYT12) określają adres bajtu w epromie. Bajty są sekwencyjnie adresowane i ich wartość pojawia się na wyjściu epromu. Powstał w ten sposób shifter, na którego wyjściu kolejno pojawiają się piksele obrazu. Gdy ostatni bit ostatniego bajtu obrazu pojawi się na wyjściu - starsze bity BYT5-BYT12 są zerowane przez układ U104B (w tym przypadku jest to wolna połówka układu LS123 pracującego w Karin Maxi)i generowany jest impuls synchronizacji ramki. BYT4 licznika steruje także generacją impulów synchronizacji linii (zauważmy, że impulsy te pojawiają się także w czasie trwania impulsu ramki). Układy U5, U6 i U7 kształtują zespolony sygnał synchronizacji. Układ U8A poprawia kształt przebiegów (krawędzie liter), a tranzystor T1 miesza sygnał synchronizacji i obrazu. Tanzystor T2 ma emiter połączony z emiterem tranzystora wyjściowego wizji komputera (Q3).
Układ U9 to licznik zliczający ilość naciśnięć klawisza RESET (ale tylko gdy komputer jest wyłączony), tak więc stan jego wyjść określa, który obraz i który system operacyjny jest aktualnie wybrany. Po włączeniu zasilania komputera na wejściu ENP tego układu pojawia się stan niski INHIBIT i dalsze naciskanie resetu nie wpływa na stan wyjść.
Układ U5A i układ U102A (wolny inwerter Schmitta z generatora kwarcowego Karin Maxi) kształtują impulsy z klawisza RESET. Dioda D1 odcina wpływ tych układów na normalne działanie resetu.
Jeszcze słów parę na temat bitmap. Otóż pecetowa bitmapa (plik o rozszerzeniu bmp) ma 62 bajtowy nagłówek, który nie powinien się znaleźć w epromie. Obraz zawarty w 8K pamięci (8192 bajty) tworzy plik o długości 8254 bajty. Software programatora epromów pozwala na pominięcie nagłówka i zapis "czystej" bitmapy do epromu.
Układ U4 posiada też wyjście zanegowane W, co pozwala na odwrócenie obrazu (inverse video). Aby układ poprawnie działał konieczne jest rozdzielenie wyprowadzeń wyłącznika zasilania, które są zwarte na płycie. Można też przerobić złącze zasilacza tak, by dołączyć również napięcie +12V do zasilania np. zewnętrznego napędu 5,25" (tak było to zrobione w pierwszej wersji komputera).
2. Montaż wewnętrznego FDD krok po kroku
Do zamontowania wewnątrz komputera Atari XE nadają się napędy dyskietek 3,5" od laptopów. Na rynku jest jeszcze dostępnych wiele modeli, ja użyłem modelu D353F3 firmy Mitsumi. Aby flopka zamontować do wnętrza atarynki (w tym wypadku 130XE) trzeba się trochę natrudzić. Niezbędne narzędzia to: imadło, młotek, wiertarka z kompletem wierteł, piłka do metalu, pilniki gładzik i zdzierak, suwmiarka lub dokładna miarka, punktak i nożyce do blachy.
Potrzebna też będzie cienka blacha grubości 0.5mm, np. z puszek, do wykonania uchwytów mocujących flopek w komputerze.
Pracę zaczniemy od zmierzenia flopka (szerokość, długość i grubość, rozstaw otworów mocujących). Napęd należy ułożyć w komputerze (z płytą główną i rozszerzeniami) w takim położeniu, jakie będzie zajmował. Należy zwrócić uwagę, aby nie wystawał ponad występy oporowe klawiatury, najlepiej by był niewielki odstęp między flopkiem i klawiaturą. Warunki te wymuszają skośne ułożenie napędu. Może być konieczne przekonstruowanie istniejących rozszerzeń tak, by uzyskać odpowiednią ilość miejsca na flopek, elementy mocujące i interfejs. Ja wybrałem interfejs Karin Maxi, ale można też zastosować XF351. Musiałem usunąć oryginalne płytki Simple Stereo i IO Board oraz zaprojektować nowe, bardziej płaskie. Interfejs Karin Maxi umieściłem pod flopkiem, Simple Stereo połączyłem z interfejsem SIO2USB i zajmuje on miejsce między flopkiem i złączem klawiatury.

Zaznaczamy wewnątrz obudowy komputera położenie flopka, demontujemy wszystko z obudowy i zaczynamy cięcie dolnej obudowy. Ja używam do tego piłki do metalu z wąskim ostrzem. Zostawiamy naddatek na dopiłowanie. Ostatnią fazę piłowania wykonujemy gładzikiem uważając, by nie przeciągnąć ponad wymiar. Często sprawdzamy jak flopek wchodzi w szczelinę.

Gdy dopasowanie dolnej obudowy zostanie ukończone - składamy obie połówki i zaznaczamy od środka na górnej połówce linie cięcia.


Odcinamy też słupek mocujący i płaski występ ogranicznika klawiatury, co widać na poniższym zdjęciu:


Po ostatecznym dopiłowaniu trzeba jeszcze lekko sfazować krawędzie wyciętego otworu. Najtrudniejszą część pracy mamy za sobą. Teraz pozostaje wycięcie wsporników mocujących flopek, ich odpowiednie dogięcie, wywiercenie niezbędnych otworów i próbne umocowanie flopka celem sprawdzenia dopasowań całości.


Napęd jest umocowany do płyty głównej. Do lewego zamocowania wykorzystałem słupki po zdemontowanym IO Board (pod spodem płyty poxipolem przykleiłem pod nimi nakrętki M3), a prawe mocowanie jest przylutowane do masy na obwodzie płyty. Poza flopkiem wewnątrz atarynki znalazł miejsce też interfejs KMK IDE 2.0, VBXE, Simple Stereo, SIO2USB, AOSD i 1M RAM.

3. Budowa drukarki 3D
Ostatnio mocno zainteresowała mnie możliwość wykonania elementów plastikowych technologią druku 3D. Wykonanie obudowy do właśnie zrobionej płytki to będzie pestka. No to do roboty. Na początek trzeba sobie zmontować drukarkę najtańszą i najprosztszą - Prusa v.2, żeby poznać tajniki druku, a potem się zobaczy.
Zacząłem gromadzić materiały: szpilki budowlane M8, nakrętki, podkładki, gładkie pręty z nierdzewki, łożyska toczne 608ZZ i liniowe LM8UU oraz zestaw plastików do połączenia żelastwa do kupy.
W internecie jest sporo na ten temat, przestudiowałem forum Reprapowo, ściągnąłem instrukcję budowy Prusa i2, pociąłem pręty na określoną długośći zmontowałem rusztowanie:

Zdjęcie marne, zrobione komórką i nieostre, ale to jedyne z tego okresu. Teraz oczekiwanie na dopływ kasy, potem zakup silników krokowych i pasków. I dalsze studiowanie materiałów. Wiele wyrażeń jest nowych, zaczerpniętych z jęz. angielskiego, trzeba je zapamiętać:
Filament - materiał z którego powstaje wydruk, występujący w postaci drutu w zwojach bez lub na szpuli. Drut ten ma najczęściej średnicę 3mm lub 1,75mm.
Hoted bed lub Hotbed - Ogrzewana powierzchnia, na której powstaje wydruk.
Hotend - kawałek metalu, najczęściej alumimium lub mosiądzu, w którym umieszczona jest grzałka, termistor i dysza, stanowiący część głowicy drukującej.
Hobbed Bolt - walec z naciętymi zębami o różnym kształcie.
Ekstruder - zespół wyciskający nitkę roztopionego materiału. Napędzany jest silnikiem krokowym, który przez przekładnię obraca hobbed bolt i przesuwa filament wgłąb głowicy.
Retrakcja - cofnięcie filamentu w ekstruderze na czas pustego przebiegu głowicy (Travel)
Skirt - dosłownie spódnica, budowana w czasie druku dodatkowa osłona wydruku.
Brim - drukowana podkładka o wymiarach nieco większych od właściwego wydruku, zmniejszająca podwijanie brzegów wydruku wskutek skurczu tworzywa.
Perymetr - cienka obwódka wokół modelu, mająca na celu ustabilizowanie wypływu tworzywa z dyszy na początku drukowania.
Kupiłem też materiał na hotbed - 4mm blachę duralową o wymiarach 225 X 225 mm. Zacząłem robotę od pocięcia kątownika aluminiowego na krótkie odcinki o długości rezystorów ceramicznych, których miałem spory zapas. Blachę, po wywierceniu otworów na mocowanie złączki na przewody i wkręty poziomujące oczyściłem i odtłuściłem. Za pomocą kleju termoprzewodzącego przykleiłem rezystory i kątowniki. Te ostatnie służą do lepszego odprowadzenia ciepła od rezystorów. Po zlutowaniu rezystorów i przyklejeniu termistora okleiłem spód taśmą kaptonową. Przykręciłem teżzłączkędo zasilania. Po miesiącu drukowania złączkętrafił szlag, więc przewody zasilania stołu przylutowałem bezpośrednio i przykleiłem je silikonem termoprzewodzącym. Spód stołu w celu minimalizacji strat ciepła pokryłem pianką poliuretanową i zestrugałem ją do odpowiedniej grubości:


Stół ogrzewa 9 rezystorów 10W połączonych równolegle. Stół przy zasilaniu 12V pobiera 10,8A co daje moc zasilania 130W. Jest to nieco za mało. ale po nakryciu stołu kartką papieru w czasie rozgrzewania pozwala na osiągnięcie temperatury 100 stopni po 15min.
Kupiłem silniki
Ciąg dalszy nastąpi...
|
POCZĄTEK |
HISTORIA |
MUZEUM |
SCHEMATY |
SERWIS |
|
LITERATURA |
MOJE KONSTRUKCJE |
O MNIE |